Ryobi Lawn Mower Parts List / RYOBI 13" 120V ELECTRIC PUSH LAWN MOWER - MODEL#RYAC130 ... : Enter your model number in the search box above or just choose from the list below.

Info Populer 2022

Ryobi Lawn Mower Parts List / RYOBI 13" 120V ELECTRIC PUSH LAWN MOWER - MODEL#RYAC130 ... : Enter your model number in the search box above or just choose from the list below.

Ryobi Lawn Mower Parts List / RYOBI 13" 120V ELECTRIC PUSH LAWN MOWER - MODEL#RYAC130 ... : Enter your model number in the search box above or just choose from the list below.
Ryobi Lawn Mower Parts List / RYOBI 13" 120V ELECTRIC PUSH LAWN MOWER - MODEL#RYAC130 ... : Enter your model number in the search box above or just choose from the list below.

Ryobi Lawn Mower Parts List / RYOBI 13" 120V ELECTRIC PUSH LAWN MOWER - MODEL#RYAC130 ... : Enter your model number in the search box above or just choose from the list below.. What are the shipping options for ryobi lawn mowers? If the lawn mower's blade isn't engaging properly, the blade adapter may be stripped. How to find your ryobi model number > ryobi parts diagrams accessories. As the description says, this is the steering shaft for all of the lawn tractors shown below. Ryobi rm480e electric riding mower bagging blade (57) model# acrm003.

This category includes genuine ryobi replacement parts and spares for the ryobi garden machinery range including replacement parts & spares for their lawn mowers, hedgetrimmers, chainsaws, brushcutters and more. If the lawn mower's blade isn't engaging properly, the blade adapter may be stripped. Buy a ryobi rlm4614 spare part or replacement part for your 46cm 140cc lawnmower and fix your machine today. How to find your ryobi model number > ryobi parts diagrams accessories. There are no items in your default equipment list.

HOW TO INSTALL RIDING MOWER BLADES | RYOBI Landscapes
HOW TO INSTALL RIDING MOWER BLADES | RYOBI Landscapes from img.youtube.com
With an incredible inventory of power tools, ryobi tools and accessories are used by millions, from professionals to hobbyists and everything in between. Watch the lawn mower buyer's guide video. We stock a wide range of garden machinery including lawnmowers, garden tractors, chainsaws, brushcutters, hed. Order your ryobi replacement parts online by clicking on the link below. Popular ryobi lawn mower parts $ 18.80. Ry40107 the model number will be found on a label attached to the motor housing. It is located underneath the lawn mower deck, and cuts the grass by rotating. All mower spares stock a wide range of products from ryobi.

With an incredible inventory of power tools, ryobi tools and accessories are used by millions, from professionals to hobbyists and everything in between.

Click here for more information. Online shopping for patio, lawn & garden from a great selection of lawn mower replacement parts, lawn mower accessories, lawn tractor attachments & more at everyday low prices. For those customers that prefer ordering by phone, simply contact the ryobi master parts distributor at the toll free number below, and place your order over the phone. There are no items in your default equipment list. Please try one of the following suggestions to find. Spare parts for ryobi garden pruners. Spare parts for ryobi grass shears. Always mention the model number in all correspondence regarding your lawn mower or when ordering replacement parts. Ridgid 40 volt lawn mower ry40100 ereplacementparts com. Spare parts for ryobi log splitters. You'll find the perfect option in our wide range of easy to use lawn mowers. How to find your ryobi model number > ryobi parts diagrams accessories. Parts lookup for ryobi power equipment is simpler than ever.

Ryobi rlm4614 spare parts list type: Click here to see our full range. Ryobi built its brand on manufacturing high quality, yet affordable, power tools for everyday use. Ryobi 48v cordless lawn mower ry14110 ereplacementparts com. Genuine oem part # 532418373 | rc item # 2963586.

Homelite RY40109 20 in. 40 Volt Lawn Mower Mfg. No ...
Homelite RY40109 20 in. 40 Volt Lawn Mower Mfg. No ... from az417944.vo.msecnd.net
You'll find the perfect option in our wide range of easy to use lawn mowers. Ry40107 the model number will be found on a label attached to the motor housing. Genuine oem part # 532418373 | rc item # 2963586. Power tool or outdoor parts: Questions & answers page a. Watch the lawn mower buyer's guide video. If you prefer to order online please click the link below. Popular ryobi lawn mower parts steering shaft.

If you don't know the manufacturer's part number, don't worry, we can help you try to find it using our interactive machine diagrams.

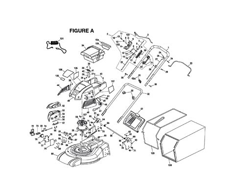
Lawn mower side discharge accessory (154) model# ac40vsd. Buy a ryobi rlm4614 spare part or replacement part for your 46cm 140cc lawnmower and fix your machine today. All mower spares stock a wide range of products from ryobi. Always mention the model number in all correspondence regarding your lawn mower or when ordering replacement parts. Spare parts for ryobi log splitters. Ry40108 figure a parts list the model number will be found on a label attached to the deck. It is easy and free Ry40107 the model number will be. A ryobi rlm5319smeb spare part or replacement for your. Click here for more information. Homelite ry40107 20 in 40 volt lawn mower parts diagrams. If the blade adapter is stripped, replace it. Ryobi ryac130 13 in lawn mower partswarehouse.

In addition, you'll have access to replacement part schematics. It is located underneath the lawn mower deck, and cuts the grass by rotating. For those customers that prefer ordering by phone, simply contact the ryobi master parts distributor at the toll free number below, and place your order over the phone. Watch the lawn mower buyer's guide video. A ryobi rlm5319smeb spare part or replacement for your.

Ryobi Cordless Lawn Mower - Home Furniture Design
Ryobi Cordless Lawn Mower - Home Furniture Design from www.stagecoachdesigns.com
Spare parts for ryobi grass shears. With an incredible inventory of power tools, ryobi tools and accessories are used by millions, from professionals to hobbyists and everything in between. Page 4 ryobi 20 in., 40v lawn mower − model no. Buy a ryobi rlm4614 spare part or replacement part for your 46cm 140cc lawnmower and fix your machine today. Always mention the model number in all correspondence regarding your lawn mower or when ordering replacement parts. All mower spares stock a wide range of products from ryobi. Questions & answers page a. Spare parts for ryobi garden pruners.

One of the most popular reasons this part is replaced, is that the gear on the shaft becomes.

If the blade adapter is stripped, replace it. You'll find the perfect option in our wide range of easy to use lawn mowers. Ryobi one plus+ ac80rl3 oem.080 inch twisted line and spool replacement for ryobi 18v, 24v, and 40v cordless trimmers (3 pack) 4.4 out of 5 stars 1,622 $15.95 $ 15. Ryobi ry40108 40 volt lawn mower parts. Order your ryobi replacement parts online by clicking on the link below. Questions & answers page a. If the lawn mower's blade isn't engaging properly, the blade adapter may be stripped. Enter your model number in the search box above or just choose from the list below. We have a huge range available. Ryobi lawn mower blade adapter. All ryobi lawn mowers can be shipped to you at home. Homelite ry40107 20 in 40 volt lawn mower parts diagrams. Click here to see our full range.

Advertisement

Iklan Sidebar